Published:2009/7/21 21:29:00 Author:Jessie | From:SeekIC

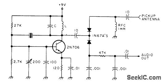
Single-frequency modulation monitor for SSB transmitter combines crystal oscillator with product detector, for checking audio at one point within band. If tuning and loading of SSB transmitter are same over rest of band, audio quality also remains constant. Use fundamental-mode crystal for desired band. LC circuit should be resonated to band being used. Oscillator signal is spotted with transceiver in receive mode, after which transceiver can be monitored during transmissions.-Clean Up Your Act, 73 Magazine, Jan.1978, p 136-137.
Reprinted Url Of This Article:
http://www.seekic.com/circuit_diagram/Control_Circuit/OFF_AIR_MONITOR.html
Print this Page | Comments | Reading(3)
Code: