Published:2009/6/29 2:31:00 Author:May | From:SeekIC

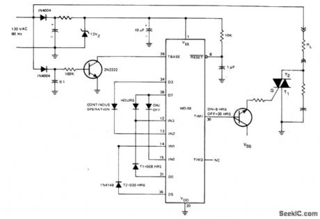
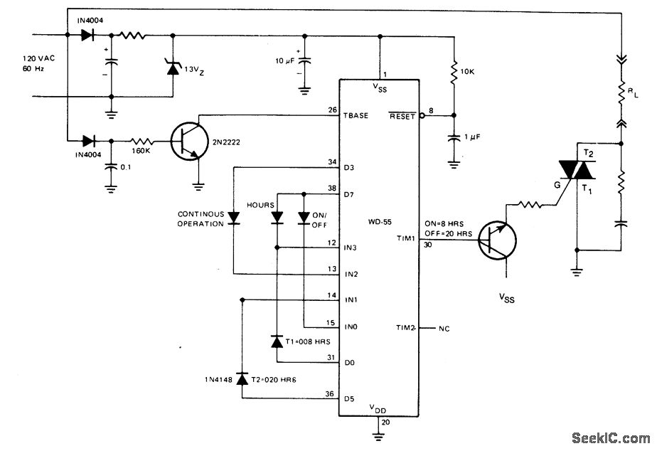
The ac line-operated on/off controller is a simple, reliable solid-state altemative to a mo-tive driven cam switch. Time 1 and time 2 are programmed by diodes to be 8 hours and 20 hours respectively. The TIM1 output is buffered by a transistor to supply gate current to a triac which switches the output load. When power is applied to the circuit, the output load is switched on for 8 hours then off for 20 hours repeatedly.
Reprinted Url Of This Article:
http://www.seekic.com/circuit_diagram/Control_Circuit/ON_OFF_CONTROLLER.html
Print this Page | Comments | Reading(3)
Code: