Published:2009/7/7 3:16:00 Author:May | From:SeekIC

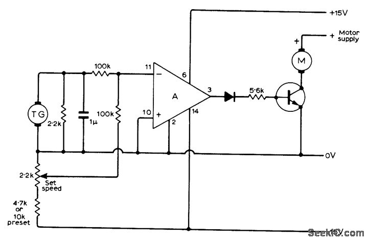
Provides fine speed control of DC motor by using 0.25-W 6-V motor as tachogenerator giving about 4 V at 13,000 rpm. Opamp (RCA 3047A or equivalent) pro-vides switching action for transistor in series with controlled motor, up to within a few volts of supply voltage. Choose transistor to meet motor current requirement.-N. G. Boreham, D.C. Motor Controller, Wireless World, Aug.1971, p 386.
Reprinted Url Of This Article:
http://www.seekic.com/circuit_diagram/Control_Circuit/OPAMP_SPEED_CONTROL.html
Print this Page | Comments | Reading(3)
Code: