Published:2009/7/7 22:52:00 Author:May | From:SeekIC

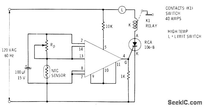
Simple circuit using RCA CA3059 zero-crossing switch regulates ON and OFF intervals of low-current SCR that controls solenoid in electric or gas oven. Sensor resistor has negative temperature coefficient. RP, is set for desired control temperature.-E. M. Noll, Linear IC Principles, Experiments, and Proj-ects, Howard W. Sams, Indianapolis, IN, 1974, p323.
Reprinted Url Of This Article:
http://www.seekic.com/circuit_diagram/Control_Circuit/OVEN_CONTROL.html
Print this Page | Comments | Reading(3)
Code: