Published:2009/7/21 23:26:00 Author:Jessie | From:SeekIC

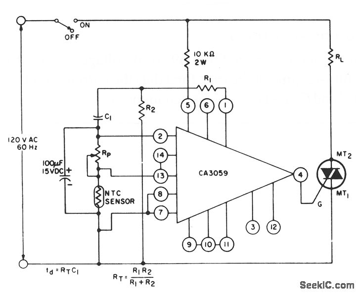
This circuit uses a CA3059 zero-voltage switch to control operation of atriac. The delay between switch closure and turn-on is set by the values of R1, R2 and C1 as shown by the equations.
Reprinted Url Of This Article:
http://www.seekic.com/circuit_diagram/Control_Circuit/On_off_temperature_control_with_delayed_turn_on.html
Print this Page | Comments | Reading(3)
Code: