Published:2009/7/24 22:20:00 Author:Jessie | From:SeekIC

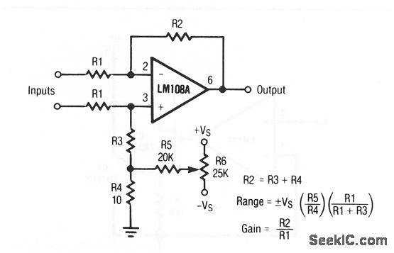
Although this circuit applies specifically to an LM108A, the values and equations can be adapted to virtually any op amp connected in the differential-input configuration.
Reprinted Url Of This Article:
http://www.seekic.com/circuit_diagram/Control_Circuit/Op_amp_offset_adjustment_differential.html
Print this Page | Comments | Reading(3)
Code: