Published:2009/7/22 22:20:00 Author:Jessie | From:SeekIC

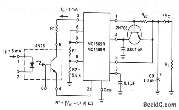
This circuit shows a 4N26 that is used to shut down a voltage regulator. To ensure that the regulator is shut down, input current to the 4N26 LED must be a minimum of 5 mA (to produce 1 mA at thq 4N26 output).
Reprinted Url Of This Article:
http://www.seekic.com/circuit_diagram/Control_Circuit/Optically_controlled_regulator_shutdown.html
Print this Page | Comments | Reading(3)
Code: