Published:2011/5/6 7:57:00 Author:Robert | Keyword: Current Reducing, Protection, Application | From:SeekIC




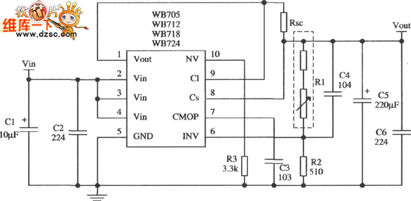
The picture shown below is about the current-reducing protection application cirrcuit with output voltage of 15V and output current of 2A which is composed of WB718 multi-port adjustable positive integrated stabilizer. The input voltage of the circuit in the picture can choose to be 30V~32V. The filter capacitor and vibration-limiting capacitor etc. are the same with those in the application of the current-limiting type. The sample resistance R1 and R2's choice depends on the formula below:The Potentiometer R1 is taken 560Ω and the pull-up resistance is taken 1.2kΩ. The current-limiting resistance is shown in the picture below. In its formula Is is the current value after load is short which is generally taken 1/3ILmax; Vbe, ILmax etc. are the same value with those in the application of current-limiting type. R3's caculation formula is shown in the picture below. In its formula: R10 is the base resistance in the stabilizer internal protection tube which is generally taken 200~250Ω. So These formula's caculation results are approximate. The rest of the circuit is just the same with those in the application circuit of current-limiting type.
Reprinted Url Of This Article:
http://www.seekic.com/circuit_diagram/Control_Circuit/Other_circuit/Current_Reducing_Protection_Application_Cirrcuit_Composed_of_WB705.html
Print this Page | Comments | Reading(3)
Code: