About SeekIC | Services | Payment | Advertisements service | Contact Us | Links
© 2008-2012 SeekIC.com Corp.All Rights Reserved.
Published:2011/5/2 3:13:00 Author:Robert | Keyword: Infrared Control | From:SeekIC

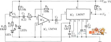
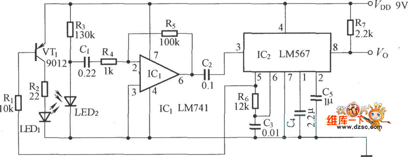
Infrared Control Circuit is shown below:
Reprinted Url Of This Article:
http://www.seekic.com/circuit_diagram/Control_Circuit/Other_circuit/Infrared_Control_Circuit.html
Print this Page | Comments | Reading(3)
Response in 12 hours
© 2008-2012 SeekIC.com Corp.All Rights Reserved.
Code: