Published:2011/5/2 3:12:00 Author:Robert | Keyword: Infrared Control, Electronic Dog | From:SeekIC

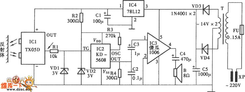
Infrared Control Electronic Dog Circuit Using TX05D is shown below:
Reprinted Url Of This Article:
http://www.seekic.com/circuit_diagram/Control_Circuit/Other_circuit/Infrared_Control_Electronic_Dog_Circuit_Using_TX05D.html
Print this Page | Comments | Reading(3)
Code: