Published:2011/4/26 8:08:00 Author:Robert | Keyword: Infrared Remote Control, Toy Car | From:SeekIC

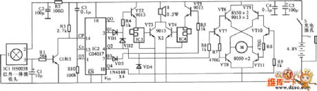
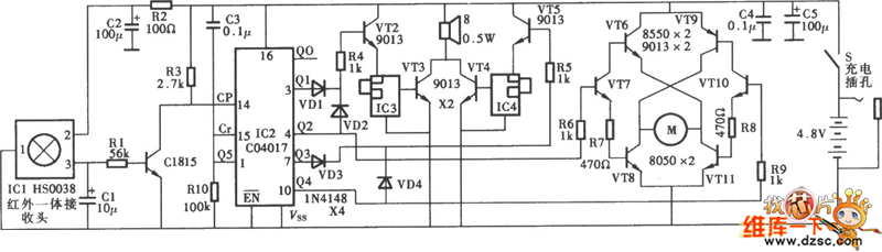
Infrared Remote Control Toy Car Circuit is shown below:
Reprinted Url Of This Article:
http://www.seekic.com/circuit_diagram/Control_Circuit/Other_circuit/Infrared_Remote_Control_Toy_Car_Circuit.html
Print this Page | Comments | Reading(3)
Code: