© 2008-2012 SeekIC.com Corp.All Rights Reserved.
Published:2011/8/17 0:41:00 Author: | Keyword: Large, Power, Full, Bridge | From:SeekIC

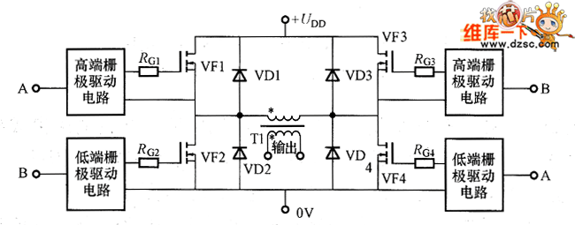
The large-power circuit is always using the full-bridge circuit which is shown in the picture. In the circuit, the VF1 is N-channel power MOSFET and its output voltage is twice of the half-bridge circuit. It the load is the same, its power would be 4 times of the power of the half-bridge circuit. So it is suitable for the large-power applications.
The picture shows the large-power full-bridge circuit.
In the full-bridge circuit, the two output ports are in floating mode. So if any port is connected with the power port, it would be the short circuit mode of the load, and the elements would be damaged. So it adds the isolated transformer T1. This transformer also has the function of impedance conversion, voltage boost and buck and so on.
Reprinted Url Of This Article:
http://www.seekic.com/circuit_diagram/Control_Circuit/Other_circuit/Large_Power_Full_Bridge_Circuit.html
Print this Page | Comments | Reading(3)
Response in 12 hours
© 2008-2012 SeekIC.com Corp.All Rights Reserved.
Code: