Published:2011/8/23 22:06:00 Author:Robert | Keyword: RCC, Power, Practical, Synchronous, Rectification | From:SeekIC

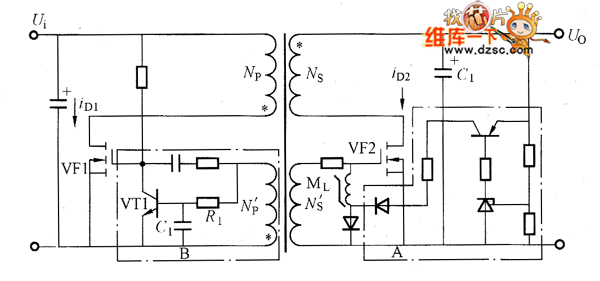
The RCC power practical circuit by using synchronous rectification is shown in the picture. In the picture's dotted frame A, it is the control circuit which controls thereset currentto go through the saturable reactor ML. The output voltage is higher than the setting value, the reset current would increase. The larger of the reset current, the longer the time during ML to saturable would be. And also the wider the synchronous pulse width which is added to the secondary MOSFET (VF2) grid electrode would be. And the longer the conducted time of the secondary MOSFET would be. If the secondary MOSFET's conducted time is changed to be longer, even the transformer's flyback energy is fully released, the secondary MOSFET could also keep the conducted mode. The secondary smoothing capacity C1's voltage is added on the secondary winding and it would have the reverse excitation for the transformer.
Reprinted Url Of This Article:
http://www.seekic.com/circuit_diagram/Control_Circuit/Other_circuit/RCC_Power_Practical_Circuit_Using_Synchronous_Rectification.html
Print this Page | Comments | Reading(3)
Code: