Published:2009/7/20 4:41:00 Author:Jessie | From:SeekIC

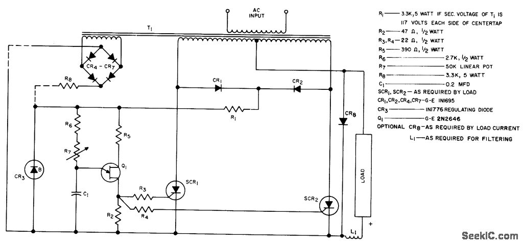
Uses scr's in single-phase center-tap phase-controlled rectifier. D-c voltage across load can be adjusted steplessly from zero to maximum with R7. Single ujt Q1 develops gate signal to fire both scr's on alternate half-cycles.- Silicon Controlled Rectifier Manual, Third Edition, General Electric Co., 1964, p 140.
Reprinted Url Of This Article:
http://www.seekic.com/circuit_diagram/Control_Circuit/PHASE_CONTROLLED_D_C_SUPPLY.html
Print this Page | Comments | Reading(3)
Code: