Published:2009/7/20 6:34:00 Author:Jessie | From:SeekIC

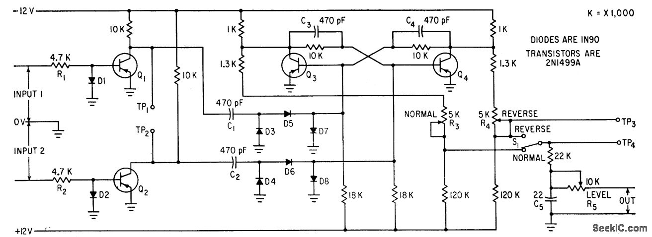
Measures phase difference between two sinusoidal inputs. Each limiter (Q1 and Q2) drives one side of high-speed flip-flop Q3-Q4 through differentiating and clipping circuits, giving square wave that turns on when one input signal goes negative and turns off when other input goes negative. D-c value of output voltage is proportional to phase difference, with about 11 V corresponding to 360°.-J. R. Woodbury, Measuring Phase with Transistor Flip-Flops, Electronics, 34:38, p 56.
Reprinted Url Of This Article:
http://www.seekic.com/circuit_diagram/Control_Circuit/PHASE_DIFFERENCE_METER_FOR_02_TO_20_KC_.html
Print this Page | Comments | Reading(3)
Code: