Published:2009/7/20 2:38:00 Author:Jessie | From:SeekIC

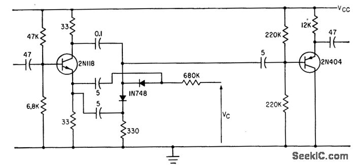
Frequency range of more than two decades can be obtained from voltage-controlled oscillator when linear biasing is used for phase-shift circuit.-R. A. Greiner and S. K. Morgan, Voltage Controlled Wide-Range Oscillator, Electronics, 34:51, p 31-35.
Reprinted Url Of This Article:
http://www.seekic.com/circuit_diagram/Control_Circuit/PHASE_SHIFTER_WITH_LINEAR_BIASING.html
Print this Page | Comments | Reading(3)
Code: