Published:2009/7/21 20:40:00 Author:Jessie | From:SeekIC

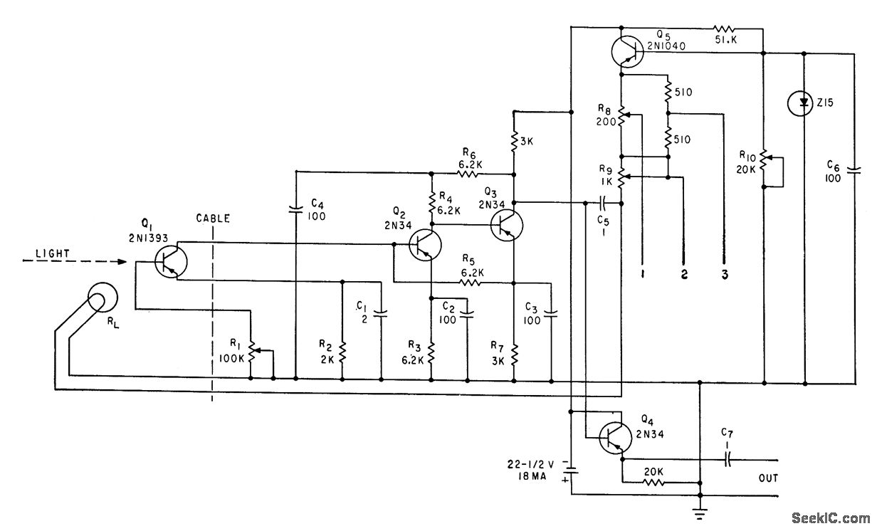
Subminiature lamp mounted on window of phototransistor stabilizes electro-optical response of high-temperatures. Base bias for phototransistor is supplied by d-c component of light from feedback lamp. -S. A. Elder, Designing Phototransistor Pyrometers With and Without Feedback, Electronics, 34:49, p 56-60.
Reprinted Url Of This Article:
http://www.seekic.com/circuit_diagram/Control_Circuit/PHOTOFEEDBACK_STABILIZATION_OF_PHOTOTRANSISTOR.html
Print this Page | Comments | Reading(3)
Code: