© 2008-2012 SeekIC.com Corp.All Rights Reserved.
Published:2012/10/22 1:18:00 Author:muriel | Keyword: PIC , Digital Clock, Timer | From:SeekIC

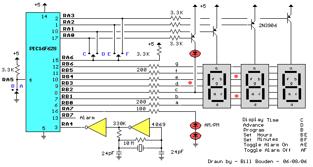
This clock timer uses a PIC16F628 microcontroller to display 3 and 1/2 digit time and control an external load. The clock includes a calendar with leap year and optional daylight savings adjustments. The timer output can be set from 1 to 59 minutes and manually switched on and off. The clock also has a correction feature that allows an additional second to be added every so many hours to compensate for a slightly slow running oscillator. The oscillator uses a common 32.768 KHz watch crystal and the frequency can be adjusted slightly with the 24pF capacitor on the right side of the crystal.
Reprinted Url Of This Article:
http://www.seekic.com/circuit_diagram/Control_Circuit/PIC_Digital_Clock_Timer.html
Print this Page | Comments | Reading(3)
Response in 12 hours
© 2008-2012 SeekIC.com Corp.All Rights Reserved.
Code: