Published:2009/6/25 20:59:00 Author:May | From:SeekIC

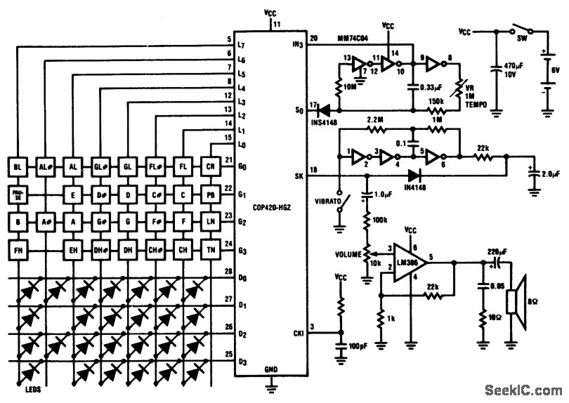
Twenty-five musical keys and 25 LEDs are provided to denote F to F with half notes in between. Memory can store a played tune. There are ten preprogrammed tunes (each has an average of 55 notes) masked in the chip. Any tune can be recalled by depressing the Tune Button followed by the corresponding Sharp Key. In team mode, the player can learn the ten preprogrammed tunes.
Reprinted Url Of This Article:
http://www.seekic.com/circuit_diagram/Control_Circuit/PREPROGRAMMED_SINGLE_CHIP_MICROCONTROLLER_FOR_MUSICAL_ORGAN.html
Print this Page | Comments | Reading(3)
Code: