Published:2011/4/21 9:39:00 Author:Christina | Keyword: Packet Control | From:SeekIC

1.Operating Principle
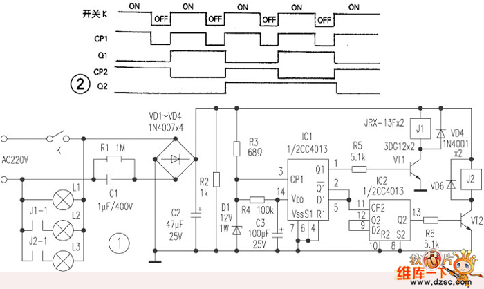
The packet control circuit of chandelier is as Figure 1 shown, the function is as follows: when the power switch turned on, l1 group of lamp light; when the power switch turned on again, l1 and l2 group of lamp light; then the power switch still turned on, l1 and l3 group of lamp light; fourth operation, l1,l2 and l3 group of lamp light. If we continue to operate, the lanterns will be light over the order cycle again.
2.Installation
As the light control circuit is simple and has fewer components, we can make it into PCB before install it at the ceiling lamp's junction box. This circuit do not need to debug, just need to divide the chandelier lamps into three groups and connected correctly by this circuit. In the actual operation, you should avoid the voltage of c3 depleted.
Reprinted Url Of This Article:
http://www.seekic.com/circuit_diagram/Control_Circuit/Packet_Control_Circuit_of_Chandelier.html
Print this Page | Comments | Reading(3)
Code: