Published:2011/6/28 6:25:00 Author:Sue | Keyword: Patients, SOS, Alarm | From:SeekIC

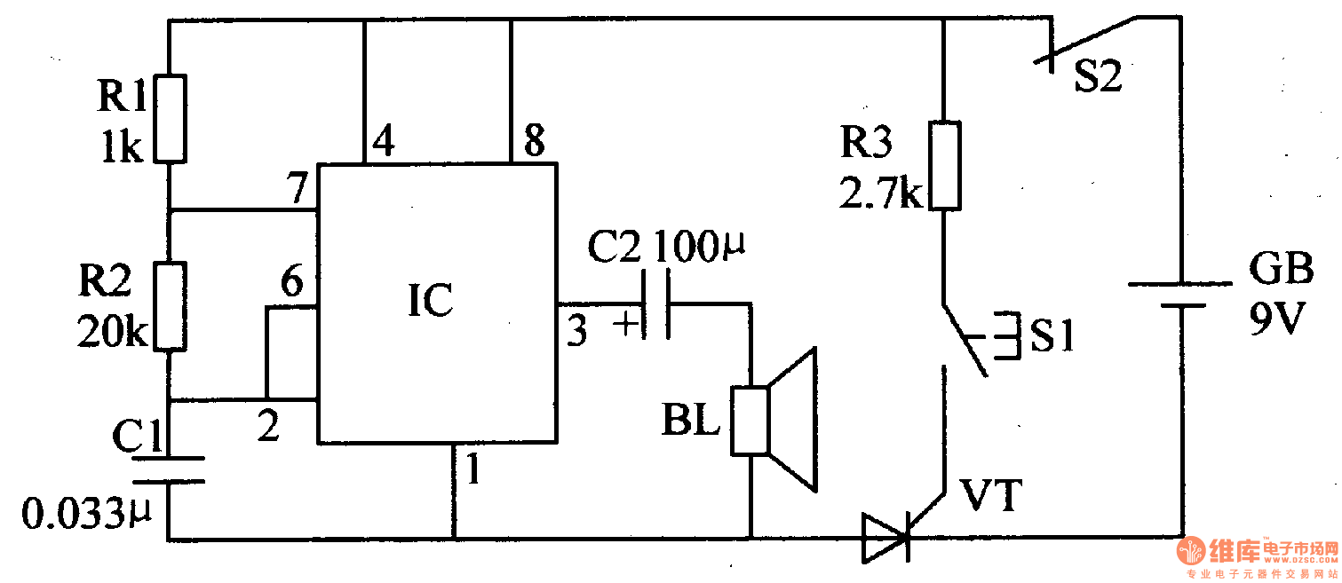
S2 is nomally closed power switch. When the madicine box is closed, the switch is connected. When the medicine box is open, S2 is disconnected.
When S is pushed, VT is disconnected. The oscillator doesn't work and BL makes no sound. When the patient pushes S1, the +9v voltage will be put on VT through S2 R3, which will make VT connected and the oscillator will begin to work. IC's pin 3 will output oscillate signals with a frequency of 1kHz. BL will make an alarm sound. When the medicine box is open, S is disconnected and VT is disconnected. BL will stops making sound.
Reprinted Url Of This Article:
http://www.seekic.com/circuit_diagram/Control_Circuit/Patients_SOS_Alarm_3.html
Print this Page | Comments | Reading(3)
Code: