Published:2011/7/3 2:43:00 Author:Sue | Keyword: Pendant Light, Controller | From:SeekIC

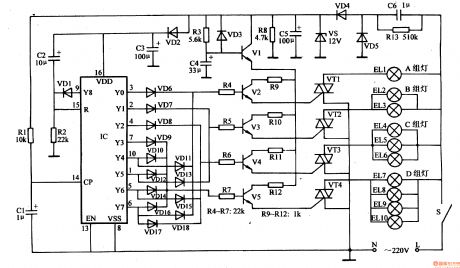
The 220v voltage will generate +12v voltage after reduction, rectification, stablization. The voltage will provide IC with working power. The other circuit will provide V2-V5 with working voltage.
IC's pin 14 will beconnected to +12V power. Every time S is connected, the positive pulse will be put on IC's pin 14, which will make IC have a count. When S is connected and disconnected intermittently, IC's Y0-Y8 will output high level which will make the thyristor connected. Then the lights will have 8 different illumination states.
Reprinted Url Of This Article:
http://www.seekic.com/circuit_diagram/Control_Circuit/Pendant_Light_Controller_1.html
Print this Page | Comments | Reading(3)
Code: