Published:2011/7/5 21:56:00 Author:Sue | Keyword: Pendant Light, Controller | From:SeekIC

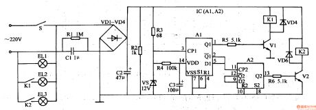
The first time the power switch S is connected, because C3's capacity is large, the moment S is connected, C3's voltage can't realise abrupt change, so IC's pin 14 outputs high level. V1 and V2 are disconnected. K1 is not connected. At this time, only the first group of illuminations EL1 are illuminated.
When S is connected quickly after disconnection, IC begins to work. Its pin 3 inputs a trigger high level pulse which will make trigger A1 reverse. Its pin 1 will output high level which will make V1 and K1 connected. K1's normally open contractor will be connected. Then the 2nd group of illuminations EL2 will be illuminated.
Reprinted Url Of This Article:
http://www.seekic.com/circuit_diagram/Control_Circuit/Pendant_Light_Controller_4.html
Print this Page | Comments | Reading(3)
Code: