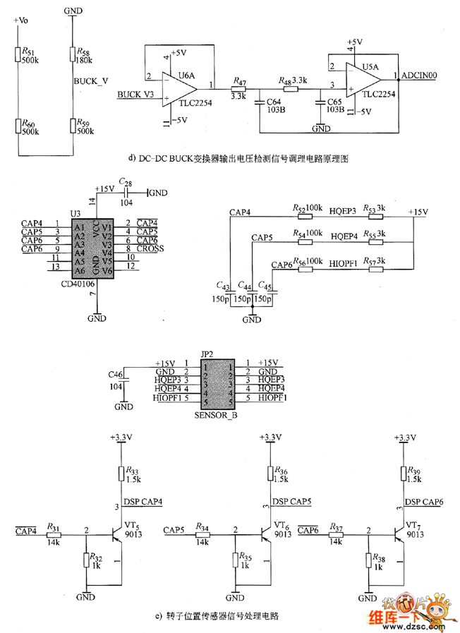
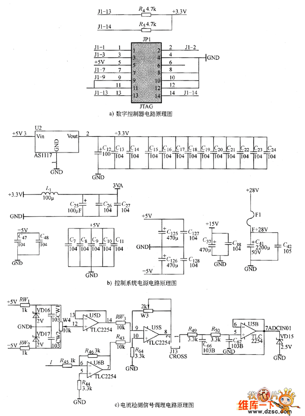
Published:2011/8/22 2:43:00 Author:Ecco | Keyword: Permanent magnet , brushless DC motor , control circuit | From:SeekIC



Reprinted Url Of This Article:
http://www.seekic.com/circuit_diagram/Control_Circuit/Permanent_magnet_brushless_DC_motor_control_circuit_diagram.html
Print this Page | Comments | Reading(3)
Code: