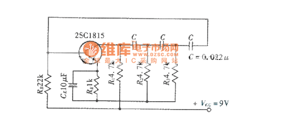
Published:2011/4/17 20:14:00 Author:Jessie | Keyword: Phase shifting oscillating, examples | From:SeekIC

Reprinted Url Of This Article:
http://www.seekic.com/circuit_diagram/Control_Circuit/Phase_shifting_oscillating_circuit_examples_circuit_diagram.html
Print this Page | Comments | Reading(3)
Code: