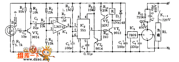
Published:2011/10/14 2:47:00 Author:Ecco | Keyword: Photosensitive voice switch | From:SeekIC

Reprinted Url Of This Article:
http://www.seekic.com/circuit_diagram/Control_Circuit/Photosensitive_voice_switch_circuit_with_locking_in_the_day.html
Print this Page | Comments | Reading(3)
Code: