Published:2013/7/29 20:10:00 Author:muriel | Keyword: Plants Watering Watcher | From:SeekIC

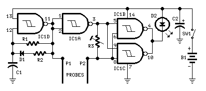
Parts:R1 470K 1/4W ResistorR2 3K3 1/4W ResistorR3 100K 1/2W Trimmer CermetC1 1nF 63V Polyester CapacitorC2 47µF 25V Electrolytic CapacitorD1 1N4148 75V 150mA DiodeD2 5mm. Red LEDIC1 4093 Quad 2 input Schmitt NAND Gate ICP1,P2 Probes (See text)SW1 SPST Slider SwitchB1 3V Battery (2 AA 1.5V Cells in series)
Device purpose:This circuit is intended to signal when a plant is needing water. A LED illuminates at maximum brightness when the ground in the flower-pot is too dry: it dims gradually as the water's content in the pot grows, turning off when the optimum moisture's level is reached. This condition is obtained trimming R3.
Circuit operation:IC1D forms a square wave oscillator with approx. 10/90 mark-space ratio. It feeds the output probe P1 and its signal, inverted by IC1A is compared with that picked-up by P2 in the NAND gates IC1B & IC1C in parallel, driving the LED. When a low resistance exists between the probes, due to an high water's content in the flower-pot, the LED is off, turning gradually on as the resistance between the probes increases.
Notes:A square wave is used to avoid probes' oxidization.Probes can be long nails, carbon rods obtained from disassembled exhausted 1.5V batteries, or even a couple of screwdrivers.The probes must be driven in the pot's ground a few inches apart.Due to 3V supply, the LED needs not a limiting resistor.Power consumption: LED off = 50µA; LED full on = 1mA.To switch-off the circuit, you can short the probes. In this case SW1 can be omitted.Using an high-efficiency LED, brightness variations are better emphasized. In this case a limiting resistor could be necessary.
Reprinted Url Of This Article:
http://www.seekic.com/circuit_diagram/Control_Circuit/Plants_Watering_Watcher.html
Print this Page | Comments | Reading(3)
Code: