Published:2011/6/27 2:24:00 Author:Sue | Keyword: Plastic Bags, Sealing, Machine | From:SeekIC

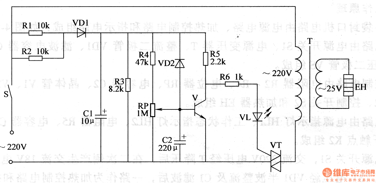
After putting the bag on EH, and push the handle, the 220v voltage will provide V with working power after reduction, rectification and filtration.
When the working power is on, V is disconnected. C1's voltage is put on VT and VT is connected. 220v voltage will be put on T through S and VT. Then it will provide EH with working power after reduction. Then EH will be heated and seal the bag. When C2's voltage reaches 0.7v, V is connected and EH stops working. When the handle is released, S is disconnected and C2 is discharged, prepared to charge for the next time.
Reprinted Url Of This Article:
http://www.seekic.com/circuit_diagram/Control_Circuit/Plastic_Bags_Sealing_Machine_2.html
Print this Page | Comments | Reading(3)
Code: