Published:2011/5/19 19:02:00 Author:Christina | Keyword: Police car, sound, light, analog circuit | From:SeekIC

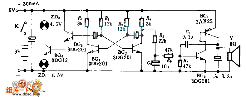
This circuit can sends out the sound of police car, meanwhile the signal parade is flashing, you can install it in the police car and fire truck models to increase the enjoyment of the toys.
In this circuit, the multivibrator oscillation circuit is composed of BG1 and BG2, the direct coupling amplifier is composed of the BG5 and BG6 to provide enough signal voltage for signal lamps.
Reprinted Url Of This Article:
http://www.seekic.com/circuit_diagram/Control_Circuit/Police_car_sound_and_light_analog_circuit.html
Print this Page | Comments | Reading(3)
Code: