Published:2011/5/3 7:36:00 Author:Christina | Keyword: FET, transformer | From:SeekIC

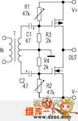
This circuit uses the transformer to promote the FET and has no big negative feedback loop, it is simple to debug and you can try to use it.
Reprinted Url Of This Article:
http://www.seekic.com/circuit_diagram/Control_Circuit/Promote_the_FET_with_the_transformer_circuit.html
Print this Page | Comments | Reading(3)
Code: