Published:2009/7/9 22:51:00 Author:May | From:SeekIC

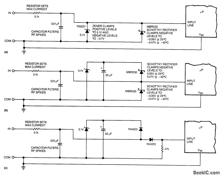
In Fig. 20-3(a), a 5.1-V zener diode clamps positive-going transients, and a Schottky rectifier clamps negative-going transients. The Schottky rectifier has problems at both ends or the temperature scale. At 125℃ (2570F), its leakage current can reach 50 μA when the input line is at 5 V. This leakage is not a big deal unless the input resistor has a value of 100 kΩ or more. More troubling, at temperatures below -40℃ (-400F), the Schottky rectifier's forward voltage rises to about 0.47 V, which is perilously close to the -0.50 -V max spec that most HCMOS-type μPs inputs can tolerate.
The third circuit, Fig. 20-3(c), uses two regular silicon rectifiers. One rectifier is connected in series with the input line, thereby isolating the μPs inputs from negative-going voltage spikes. The other recti-fter is in series with a 5.1-V zener, which clamps positive-going transients.
Reprinted Url Of This Article:
http://www.seekic.com/circuit_diagram/Control_Circuit/Protection_Circuit/3_μP_I_O_LINE_PROTECTORS.html
Print this Page | Comments | Reading(3)
Code: