Published:2009/7/14 23:03:00 Author:Jessie | From:SeekIC

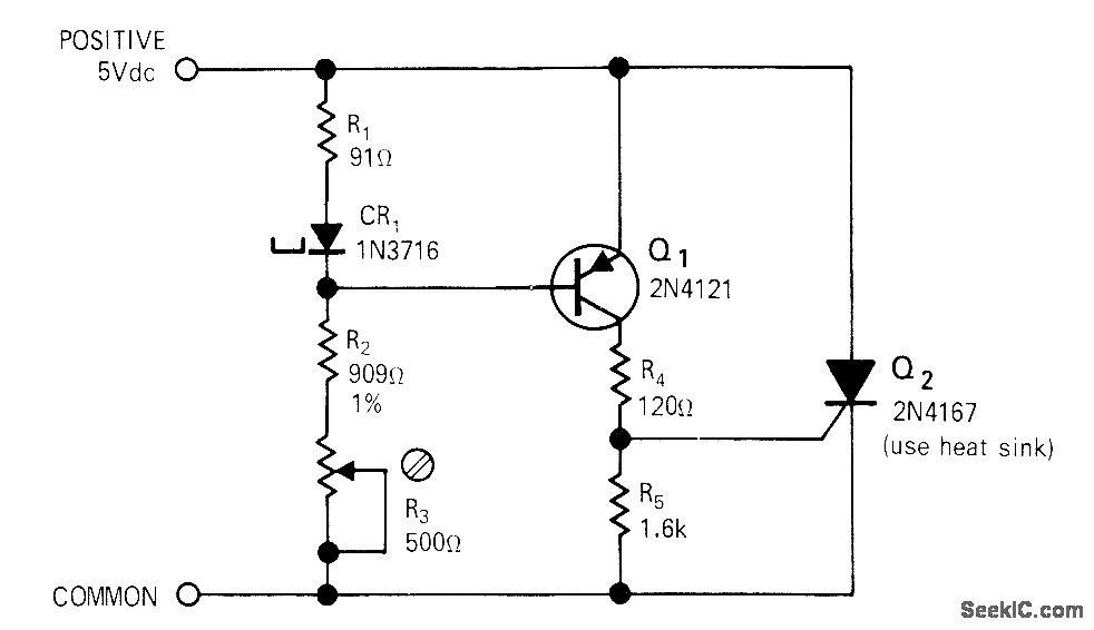
Simple overvoltage protection circuit for 5-V 1-A logic supply can be adjusted to trigger at 10% overvoltage or 5.5 V. Tunnel diode CR1 senses level. At 5.5 V, diode switches slightly past its valley piont, and voltage across diode biases Q1 into saturation. Q1 then supplies gate current to SCR Q2, which fires and continues conducting until power supply is disconnected. Power supply must include current-limiting circuit and fuse. R3 adjusts trip point.-L. Strahan, Logic-Supply Crowbar, EDN|EEE Magazine, Nov. 15, 1971, p 51.
Reprinted Url Of This Article:
http://www.seekic.com/circuit_diagram/Control_Circuit/Protection_Circuit/5_V_CROWBAR.html
Print this Page | Comments | Reading(3)
Code: