Published:2011/8/4 20:03:00 Author:Rebekka | Keyword: Automatic power protector, 555 | From:SeekIC

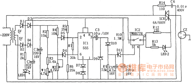
The figure shows the automatic power protection circuit. The protector is composed of the buck rectifier circuit, overvoltage and undervoltage detection circuit, delay switch control circuit. The buck rectifier circuit provides DC voltage for the entire circuit.
Reprinted Url Of This Article:
http://www.seekic.com/circuit_diagram/Control_Circuit/Protection_Circuit/Automatic_power_protector_circuit_composed_of_555.html
Print this Page | Comments | Reading(3)
Code: