Published:2011/6/29 2:28:00 Author:Fiona | Keyword: Dual-tone phone, controller | From:SeekIC

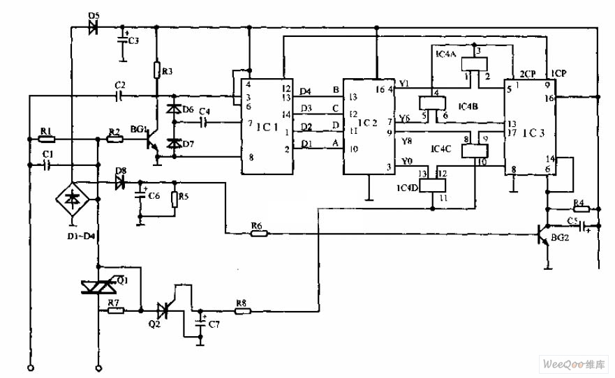
Dual-tone phone 160,168 controller circuit is shown as below,the function of this controller is the same with the controller's.The two controllers' basic principle is:add a homemade electronic switch between telephone and switchboard,only the user who officially calls 160,168 information desk can make the electronic switch be connected.
Reprinted Url Of This Article:
http://www.seekic.com/circuit_diagram/Control_Circuit/Protection_Circuit/Dual_tone_phone_160168_controller_circuit.html
Print this Page | Comments | Reading(3)
Code: