Published:2012/11/12 20:27:00 Author:Ecco | Keyword: EOCR , motor protection | From:SeekIC


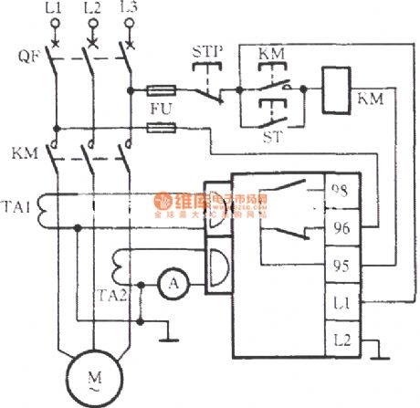
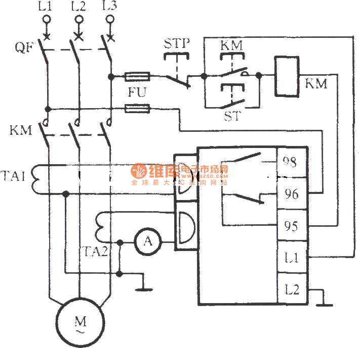
EOCR is Korea SAMWHA 's new motor protector with a microprocessor, , there are two popular kinds of EOCR-SS type EOCR-3DD in the market. Wiring diagram is shown in Figure 2.
Reprinted Url Of This Article:
http://www.seekic.com/circuit_diagram/Control_Circuit/Protection_Circuit/EOCR_motor_protection_circuit.html
Print this Page | Comments | Reading(3)
Code: