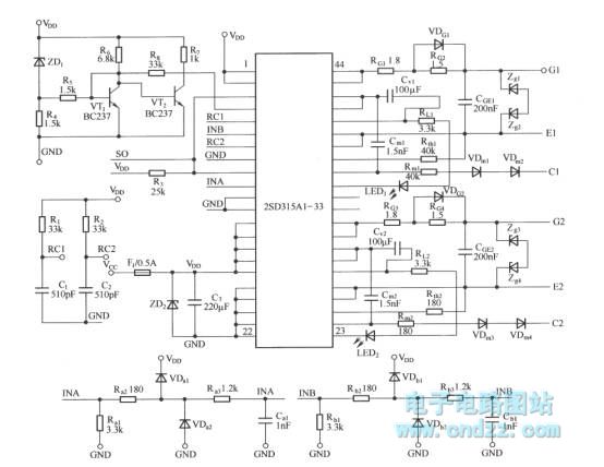
Published:2011/4/7 5:24:00 Author:may | Keyword: IGBT, drive protection | From:SeekIC

Reprinted Url Of This Article:
http://www.seekic.com/circuit_diagram/Control_Circuit/Protection_Circuit/IGBT_drive_protection_circuit.html
Print this Page | Comments | Reading(3)
Code: