Published:2011/7/10 22:45:00 Author:Felicity | Keyword: Intermittent Controller, | From:SeekIC

Work of the circuit
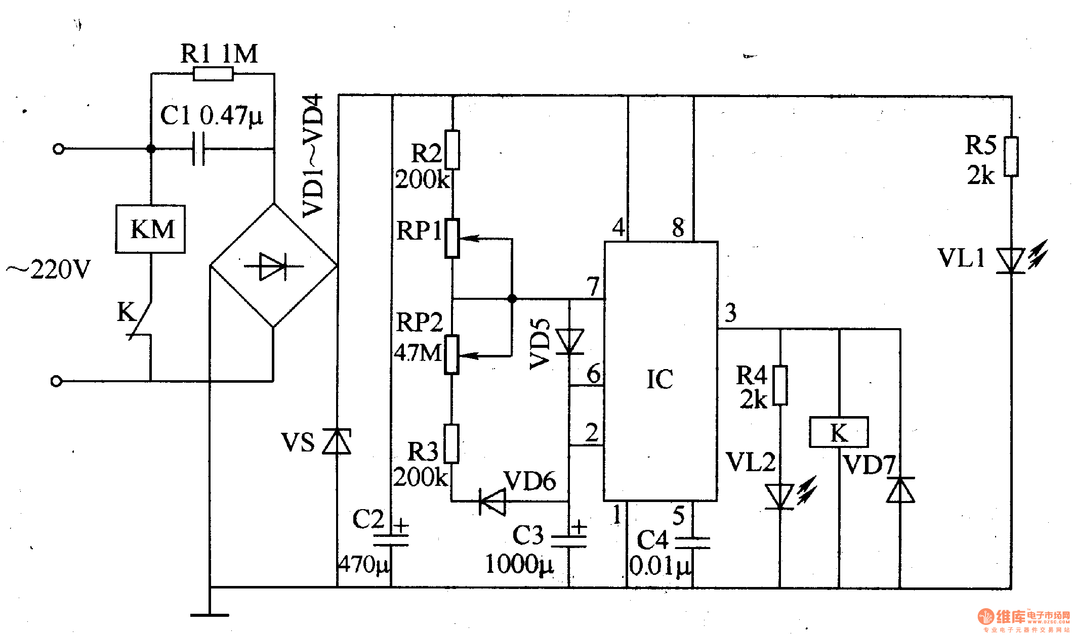
The circuit consists of power circuit, timing control circuit and control implementation circuit. (It is showed in picture 8-98.)
Power circuit consists of Buck capacitor Cl, resistors Rl, R5, rectifier diode VDl-VD4, voltage regulator diode VS, power indicator light-emitting diode VL1and filter capacitor C2.
Timing control circuit consists of time-base integrated circuit IC, resistors R2-R4, capacitors C3, C4, potentiometer RPl, RP2, diode VD5, VD6 and light-emitting diode VL2.
Control implementation circuit consists of diode VD7, relay K and AC contactor KM.
Reprinted Url Of This Article:
http://www.seekic.com/circuit_diagram/Control_Circuit/Protection_Circuit/Intermittent_Controller_the_3rd.html
Print this Page | Comments | Reading(3)
Code: