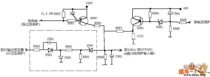
Published:2011/10/17 2:13:00 Author:Ecco | Keyword: movement protection | From:SeekIC

Reprinted Url Of This Article:
http://www.seekic.com/circuit_diagram/Control_Circuit/Protection_Circuit/MX_5_movement_protection_schematic_diagram.html
Print this Page | Comments | Reading(3)
Code: