Published:2011/8/2 2:43:00 Author:Rebekka | Keyword: Machine tool magnetic chuck , undercurrent protection | From:SeekIC

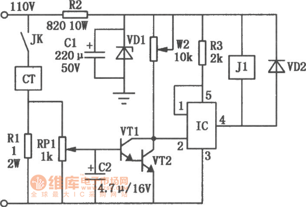
The signal from the sampling circuit is amplified by voltage, whichmakes the collector potential of VTl, VT2 close to 0V, the ② pin of IC's is at the low potential , ④ pin is turned on, relay J1 gets the power. The dynamic co-contact is closed, so that the machine starts to work. When the magnetic chuck current is less than 90% of rated current (this value is adjustable), IC's ④ pin is stopped. J1 is off, the machine feed-through circuit is off at the same time. The feed-though system stops working, thus avoids the accident. This circuit IC uses TWH8751 type, VTl uses 9013-type, VT2 uses 3DGl2 type, VDl uses 24V, 1W. VD2 uses lN4148 type, relay J1 uses JTX-24 type.
Reprinted Url Of This Article:
http://www.seekic.com/circuit_diagram/Control_Circuit/Protection_Circuit/Machine_tool_magnetic_chuck_undercurrent_protection_circuit_diagram.html
Print this Page | Comments | Reading(3)
Code: