Published:2011/5/29 2:01:00 Author:Lucas | Keyword: Motor protector | From:SeekIC

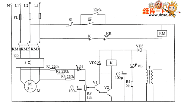
The motor protector circuit is composed of the power detection circuit and phase failure protection circuit, the circuit is shown as the chart. Power circuit is composed of the power transformer T, rectifier diode VD3, filter capacitor C2, current limiting resistor M and LED VL. Phase failure detection protection circuit consists of resistors R1 ~ R3, capacitor C1, diodes VD1, VD2, potentiometer RP, transistors V1, V2 and relays Κ and so on. R1 ~ R3 select 1/2W metal film resistors; Ⅲ uses the carbon film 1/4W resistor or metal film resistor. RP selects membrane potentiometer or variable resistor. C1 and C2 select aluminium electrolytic capacitor with the voltage in 16V. VD1 ~ VD3 select 1N4004 or 1N4007 diode rectifier. VL uses φ5mm ordinary light-emitting diode.
Reprinted Url Of This Article:
http://www.seekic.com/circuit_diagram/Control_Circuit/Protection_Circuit/Motor_protector_circuit_diagram_14.html
Print this Page | Comments | Reading(3)
Code: