Published:2009/7/6 7:19:00 Author:May | From:SeekIC

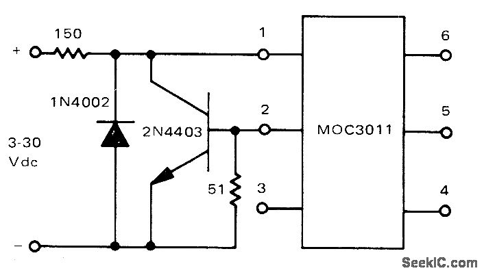
Combination of diode and transistor limits input current to LED of Motorola MOC3011 optoisolator to safe maximum of less than 15 mA for input voltage range of 3-30 VDC. Circuit also protects LED from accidental reversal of polarity.-P.O 'Neil, “Applications of the MOC3011 Triac Driver,” Motorola, Phoenix, AZ, 1978, AN-780, p 4.
Reprinted Url Of This Article:
http://www.seekic.com/circuit_diagram/Control_Circuit/Protection_Circuit/OPTOISOLATOR_INPUT_PROTRCTION.html
Print this Page | Comments | Reading(3)
Code: