Published:2012/12/12 2:51:00 Author:Ecco | Keyword: PWM inverter , over-current protection | From:SeekIC

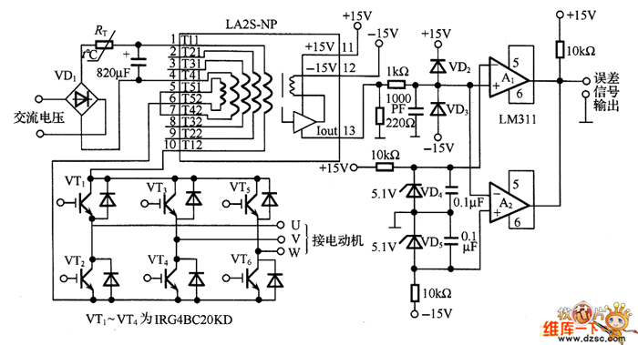
It can prevent IGBT or MOSFET output stage from being damaged by large current flowing. The maximum current is 23A when the motor is overcurrent, and the overcurrent needs 3μs flowing to protection circuit.
Reprinted Url Of This Article:
http://www.seekic.com/circuit_diagram/Control_Circuit/Protection_Circuit/PWM_inverter_over_current_protection_circuit_diagram.html
Print this Page | Comments | Reading(3)
Code: