Published:2011/5/9 2:23:00 Author:Ecco | Keyword: leakage protection , IC | From:SeekIC



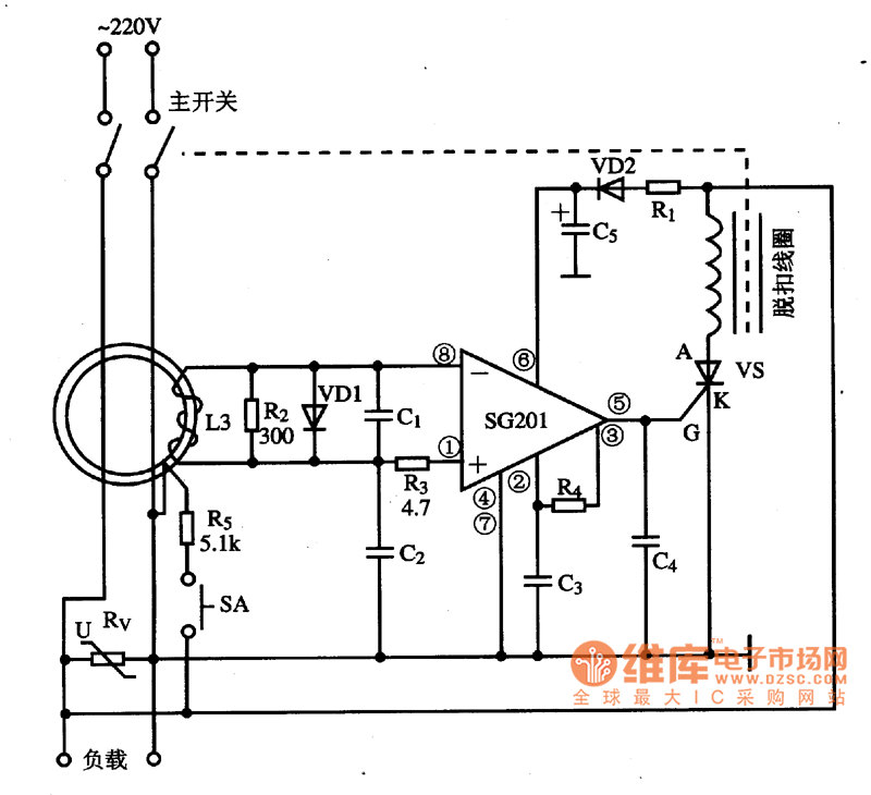
SG201 is the specific leakage protection integrated circuit, which is widely used in a variety of leakage protection. 1. Features of functionsSG201 IC includes voltage regulator circuit, reference voltage circuit, the differential amplifier circuit, level judging and shaping output circuit, the internal block circuit diagram is shown as the chart. 2. Pin functions and data SG201 integrated circuit uses 8-pin dual in-line package, the pin functions and data are listed in table. Operating current is 1.8 ~ 2.5mA, so the static power consumption is low. 3. The typical application circuit The typical application circuit of SG201 IC leakage protection circuit is shown in Figure 1.
Reprinted Url Of This Article:
http://www.seekic.com/circuit_diagram/Control_Circuit/Protection_Circuit/SG201_leakage_protection_IC_diagram.html
Print this Page | Comments | Reading(3)
Code: