Published:2011/11/22 0:15:00 Author:May | Keyword: Starting protection | From:SeekIC

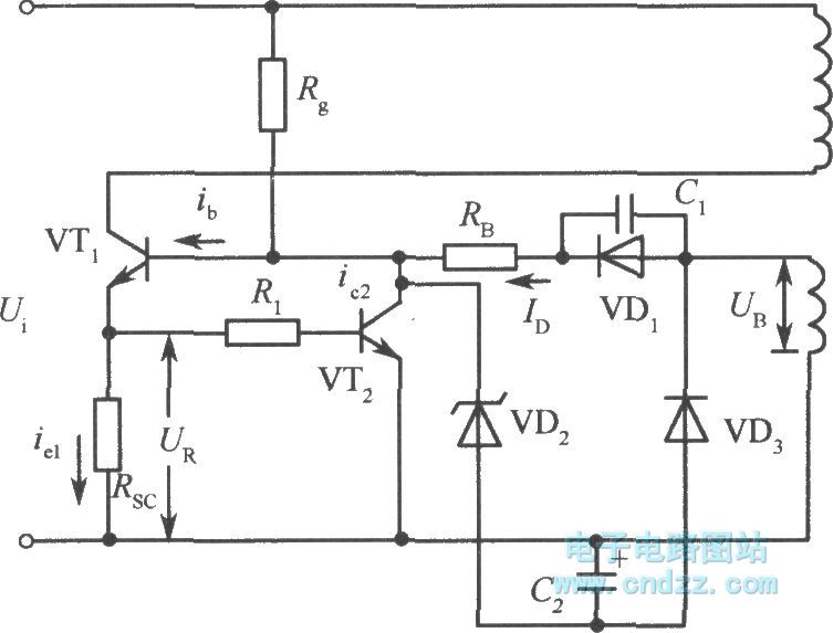
When the circuit is in the state of normal voltage regulation, controlling circuit can always keep VT1 base current in a fixed number. But when the power supply is breaking over, it will havea large starting current on transistor VT1. In order to prevent burning out this transistor VT1 by this current, we must take protection measure. The simplest protection is shown in the diagram, and it is added a resistor on the emitter of VT1.
When VT1 tube's current is enlarging, the voltage generatedby resistor Rsc is enlarging, VT1's base potential increases, driving current Id decreases. So VT1's base current is limited, VT1's collector current is limited to a fix number. We can know from the diagram, if drop voltage generated by switching transistor VT1's collector current on resistor Rsc is more than VT2's Ube2, VT2 is breaking over, it canmake VT1's base current divide a part, thereby it can make sure the collector current of VT1be less than protection value.
Reprinted Url Of This Article:
http://www.seekic.com/circuit_diagram/Control_Circuit/Protection_Circuit/Starting_protection_circuit.html
Print this Page | Comments | Reading(3)
Code: