Published:2011/7/19 23:41:00 Author:chopper | Keyword: agricultural, non-tower, pressure-charged, water feeder | From:SeekIC

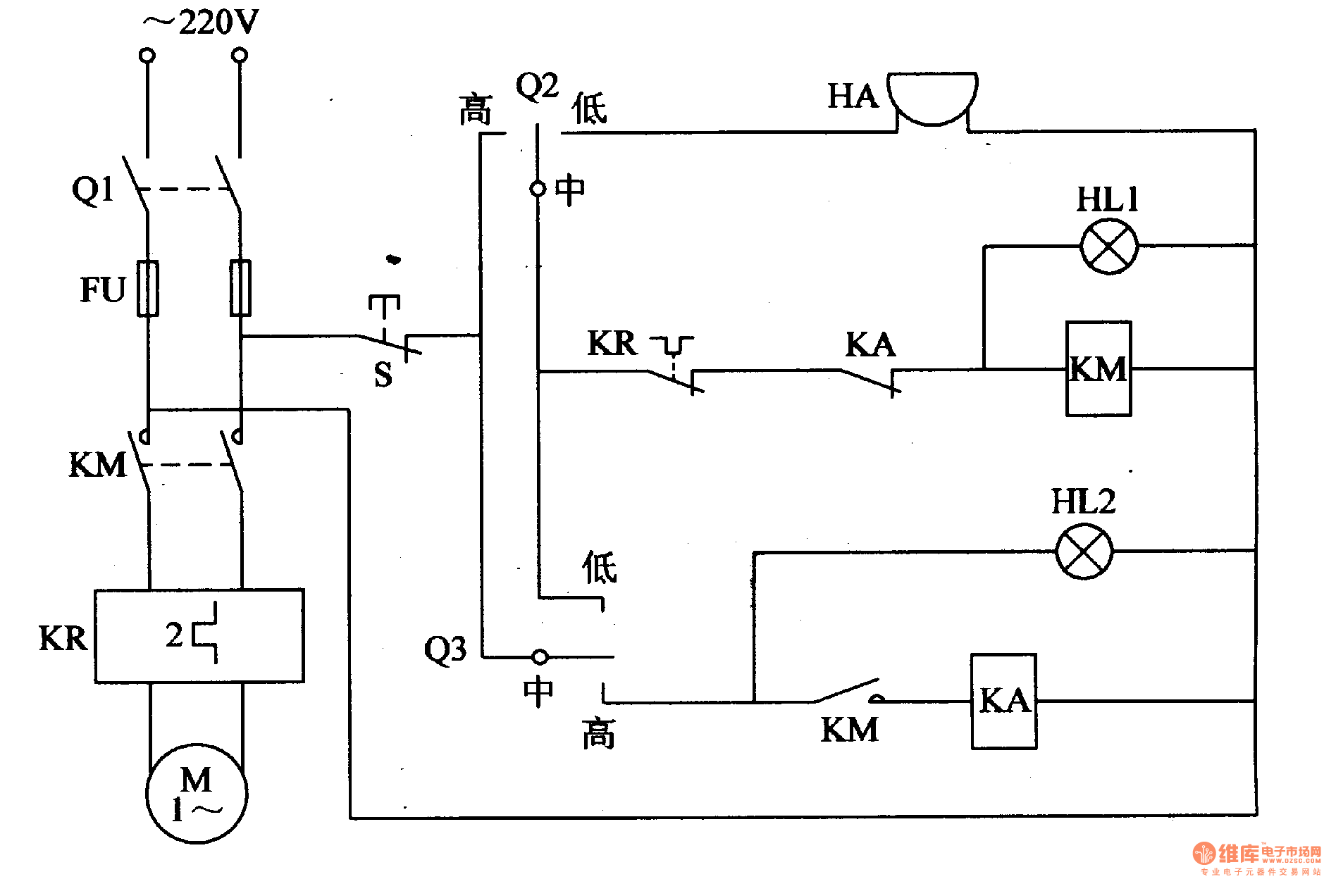
This example describes the agricultural non-tower pressure-charged water feeder,and it uses electric connecting pressure gauge as the measurement and control device.The circuit is simple, and it can cut off the power supply automatically when the water supply is not enough or the submersible pump fails to work,while the alarm sends a sound. The principle of circuit This agricultural non-tower pressure-charged water feeder circuit is formed by the knife switch Q1,fuse FU,intermediate relay KA,AC contactor KM, thermal relay KR,alarm HA, lights HL1,HL2 and the control contact of pump outlet pressure gauge Q2,control contact of tank water level testing gauge Q3, which is shown in figure 4-153.
Reprinted Url Of This Article:
http://www.seekic.com/circuit_diagram/Control_Circuit/Protection_Circuit/agricultural_non_tower_pressure_charged_water_feeder2.html
Print this Page | Comments | Reading(3)
Code: