© 2008-2012 SeekIC.com Corp.All Rights Reserved.
Published:2011/7/15 20:18:00 Author:chopper | Keyword: infrared, dimmable lamp | From:SeekIC

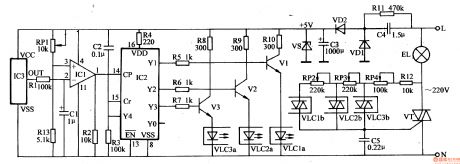
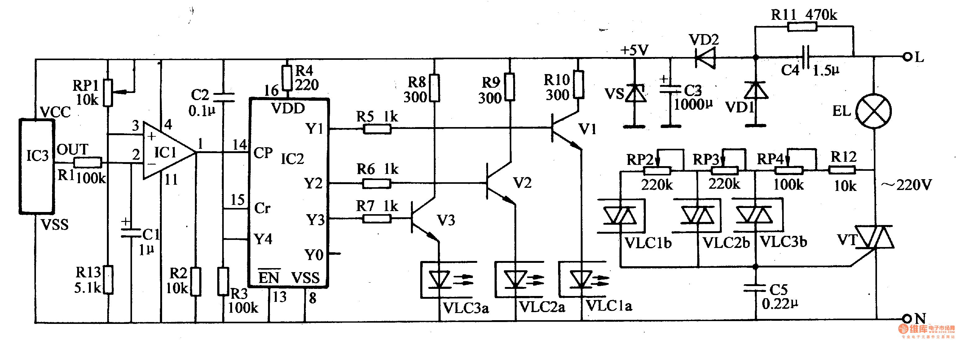
This example describes the infrared remote control dimmable lamp, which can use infrared remote controller of household appliances(such as televisions,DVD players,VCRs, etc.) to control,and it can open, turn off the light and dim(strong, medium, Weak 3 files) easily. The principle of circuit The infrared remote control dimmable lamp circuit is formed by the power supply circuit, infrared receiver amplification and dimming control circuit, which is shown in figure 1-201.
The power supply circuit is formed by the capacitor C4,discharge resistor Rll,rectifier diodes VD1,VD2,filter capacitor C3 and voltage-regulator diode VS.
Reprinted Url Of This Article:
http://www.seekic.com/circuit_diagram/Control_Circuit/Protection_Circuit/infrared_remote_control_dimmable_lamp.html
Print this Page | Comments | Reading(3)
Response in 12 hours
© 2008-2012 SeekIC.com Corp.All Rights Reserved.
Code: