Published:2011/7/20 5:29:00 Author:nelly | Keyword: Pull-push switch | From:SeekIC

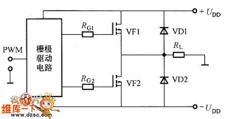
As shown in the figure, it is the pull-push switch circuit which is composed of P channel and channel power MOSFET transistor, it does not require bootstrap circuit.
Reprinted Url Of This Article:
http://www.seekic.com/circuit_diagram/Control_Circuit/Pull_push_switch_circuit_diagram.html
Print this Page | Comments | Reading(3)
Code: