Published:2011/10/18 3:28:00 Author:Rebekka | Keyword: Pulse phone , controller | From:SeekIC

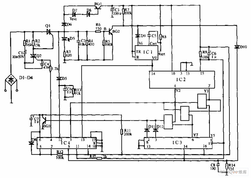
Pulse telephone 160 168 controller circuit is shown as above, the controller can be installed on the phone or on the switchboard of the trunk. It can effectively prevent the others to freely dail 160, 168. D1 ~ D4 use 1N4004, the rest diode use 1N4008. Q1, Q2 use BT169D; BG1 uses 5401, BG2 uses 9014; Resistor uses 0.125W metal resistor; IC1 is CC4098. IC2, IC3choose CD4017. IC4 is CD4066. The controller is connected in series with the phone between the city telephone line and the telephone line.
Reprinted Url Of This Article:
http://www.seekic.com/circuit_diagram/Control_Circuit/Pulse_phone_160168_controller_circuit_diagram.html
Print this Page | Comments | Reading(3)
Code: