Published:2011/8/21 22:00:00 Author:Ecco | Keyword: Punch security controller | From:SeekIC

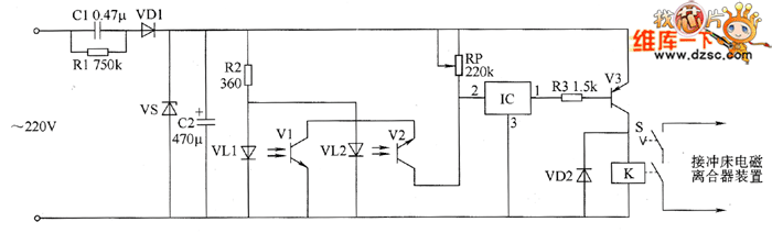
The punch security controller circuit is composed of the DC power supply circuit, infrared detection control circuit and control implementation circuit, and it is shown as the chart. DC power supply circuit consists of step-down capacitor C1, discharge resistor R1, rectifier diode VD1, voltage regulator diode VS and filter capacitor C2. Infrared detection control circuit is composed of the infrared light emitting diodes VL1 and VL2, infrared phototransistors V1 and V2, resistor R2, potentiometer RP and voltage detection circuit IC. Control implementation circuit is composed of the resistor R3, transistor V3, diode VD2, relay Κand foot switch S.
Reprinted Url Of This Article:
http://www.seekic.com/circuit_diagram/Control_Circuit/Punch_security_controller_circuit_diagram_4.html
Print this Page | Comments | Reading(3)
Code: