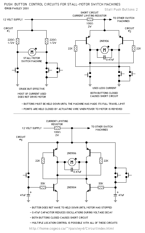
Published:2013/6/5 21:28:00 Author:muriel | Keyword: Push Button Control, Stall Motor , Switch Machines | From:SeekIC

Reprinted Url Of This Article:
http://www.seekic.com/circuit_diagram/Control_Circuit/Push_Button_Control_of_Stall_Motor_Switch_Machines.html
Print this Page | Comments | Reading(3)
Code: